
輕觸開關使用得比較廣泛的是防水輕觸開關6×6系列、貼片輕觸按鍵6×6系列、直插輕觸按鍵6×6系列等。輕觸開關6×6被延伸開發出的規格和分類有:防水6×6、貼片6×6、直插6×6、側按支架6×6、貼片支架6×6、半包支架6×6、圓孔支架6×6、下支架6×6、邊兩腳6×6等產品。產品的手感力度主要有100g、160g、260g。貼片輕觸開關6×6是訊普電子科技熱銷的電子元件產品之一,在使用得過程中的常見問題有:電阻值偏高、附著力問題、過爐后按不動、蓋子脫落、手感問題、輕按不導通等。其次,挑選合適的規格型號產品也是比較重要的,一般我們會根據產品的各項性能、規格來判斷產品是否適用,平時我們也可以多些了解關于輕觸開關的檢測、應用及注意事項方面的知識,那么下面我來給大家講解幾款常用的產品吧!
(1)輕觸開關6×6_TS-1109B
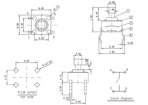
輕觸開關6×6_TS-1109B_參考圖紙:
輕觸開關6×6_TS-1109B_產品簡介:
輕觸開關6×6_TS-1109B是6×6×7.3輕觸開關,高度是固定的,按鍵頭尺寸是2.4×2.4,輕觸開關TS-1109B按鍵力度有160g/250g四種,屬于環保輕觸開關。
包裝方式:袋裝(1000PCS/包)
注意事項:柄不耐高溫,只能用手工焊接的方式與波峰焊
輕觸開關6×6_TS-1109B_技術參數:
使用范圍溫度:-20℃~80℃
額定值:DC 12V 50mA
接觸電阻:≤30mΩ
絕緣電阻:≥100 MΩ
(2)輕觸開關6×6_TS-1109W
輕觸開關6×6_TS-1109W_參考圖紙:
輕觸開關6×6_TS-1109W_產品簡介:
輕觸開關6×6_TS-1109W塑膠的長寬同樣有兩種:6×6/6.2×6.2,但腳距一樣是。
產品高度有:4.3/4.5/5.5
按鍵力度:100g/120g/160g/250g
包裝方式:袋裝(1000PCS/包)/盤裝(高度不同,數量不同)
產品特性:有耐高溫跟不耐高溫兩種
輕觸開關6×6_TS-1109W_技術參數:
使用范圍溫度:-20℃~80℃
額定值:DC 12V 50mA
接觸電阻:≤30mΩ
絕緣電阻:≥100 MΩ
(3)輕觸開關6×6_TS-1157
輕觸開關6×6_TS-1157_參考圖紙:
輕觸開關6×6_TS-1157_產品簡介:
輕觸開關6×6_TS-1157是6×6五腳貼片
基座厚度:2.0
高度有:2.5、2.7、3.1、3.7、5.1
按鍵力度:160g、250g
按鍵顏色有:黑底,白頭、黑頭、紅頭
包裝方式:袋裝(1000PC包),卷裝也就是編帶(1500PCS/盤)
產品特性:耐高溫260度
輕觸開關6×6_TS-1157_技術參數:
使用范圍溫度:-20℃~70℃
保存溫度范圍:-30℃~80℃
額定值:DC 12V 50mA
接觸電阻:≤50mΩ
絕緣電阻:≥100 MΩ
輕觸開關6×6在使用的時候需要注意,在操作時不要施加力反復操作。在柱塞已經按下的請款下進一步加壓的話,過大的負荷重量可能導致圓形面板彈簧的變形,成為動作不良的原因。特別是對橫壓型施加過大的負載的話,鉚接部會產生破損,這樣會導致開關破損。因此輕觸開關6×6在安裝、操作時等,請注意不要附加過大負荷重量。請按柱塞可以在垂直方向動作的方向設定開關。只按柱塞的一側,或斜向的操作口可能導致耐久性降低。保存輕觸開關6×6時,為了防止端子部變色,建議大家不要在高溫、高濕環境或者陽光直射的場所,以及有腐蝕性氣體的環境中保存。由于開關沒有密封構造,所以不要在有粉塵的場所進行使用,如果必須要使用時,應該考慮采用覆蓋物等保護對策。

Copyright © 廣東精密龍電子科技有限公司 版權所有 粵ICP備17035144號 粵公網安備44130202001184號
全國服務電話:0755-83205533 傳真:0755-83761155
公司地址:深圳市龍崗區龍崗大道8288號深圳大運軟件小鎮45棟2樓

